所屬分類首頁 - 產品中心 - 直流振動電機 - 直流PT-MVE系列
功率等級:0.07-0.20kw
激振力等級:130-600KG
防護等級:IP65
絕緣等級:F
工 作 制:SI(連續工作制)
冷卻方法:IC410(自然冷卻)
成功研發出針對不同要求的200多種設備行業專用電機

欣佳宏直流無刷調速振動電機細節優勢: 1、欣佳宏直流無刷振動電機可外接鋰電池、電瓶使用、采用安全24V/12V/36v低電壓,動力強勁,滿足各種工作需求,戶外使用更方便。 2、可調速直流振動電機工作狀態-電流/轉速/達到精準顯示,各種數據一目了然。 3、欣佳宏12V/24v/36v調速振動電機的轉速和振動力可以通過驅動器任意調整,操作更簡單。 4、欣佳宏無刷調速振動電機可以任意轉速啟動,安全便捷,全自動振動設備。 |
|
![]()
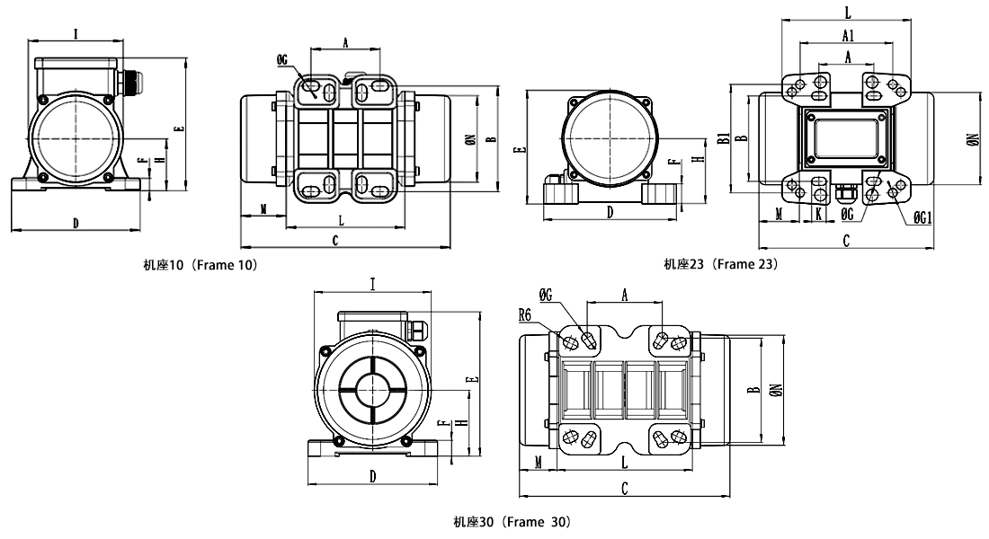
欣佳宏PT-MVE直流無刷鋁合金振動電機屬于第三代升級款,屬于深圳市欣佳宏科技有限公司的明星振動電機產品,屬于加強防水型振動電機,該系列電機有單相振動電機和三相振動電機兩種參數,此系列小型振動電機已廣泛用于礦山、冶金、煤炭、電力、建筑、化工、醫療保健、鑄造、食品、噴噴涂設備、篩粉、糧食機械等。欣佳宏PT-MVE直流無刷鋁合金振動電機已獲得國內外鋁合金小型振動電機行業客戶的高度認可;
![]()

全球3000多家知名振動機械設備企業專用電機品牌
欣佳宏是國內知名電鍍設備,振動篩專用振動電機生產廠家。
欣佳宏切實履行金牌服務承諾:從售前到售后,我們將不遺余力為您提供整體解決方案和一站式服務
如果您想了解更多振動電機問題及設備型號資料,歡迎在下方留言咨詢。技術經理將在24小時內
回電答疑及報價,欣佳宏全天恭候您的垂詢。
免費提供設備報價、設備型號資料等服務,歡迎您隨時咨詢
我們將隨時給予回復!
專車接送提前預約,專車免費接送您到廠或實地考察
完備售后承諾合同日期發貨,專業指導安裝與培訓